The M-20iA robot is a 6-axis enhanced industrial robot, that is, an articulated arm robot. The new AC servo motor used has the characteristics of compact structure, high output, fast response and high reliability. The robot's arm has a slender and compact design, which guarantees excellent welding accuracy, speed and repeatability due to the high dynamics of the individual axes.
The high-strength arm and advanced servo control technology effectively improve the motion speed and acceleration and deceleration performance of each axis. The operation time of the movement is shortened by more than 15%, realizing the highest production capacity in the industry. A brake is installed on the drive shaft of the motor, which operates on the principle of a closed circuit and automatically holds the brake in the event of a power failure to avoid dangerous movements.
M-20ia robot
Multifunctional intelligent small robot
Structure | Vertical polyarticulated shape (6 degrees of freedom) | |
The maximum range of motion of a single axis | Axis 1 (Ground) | 340o |
Axis 2 (upper arm) | 260 o | |
Axis 3 (lower arm) | 458o | |
Axis 4 (Wrist Rotation) | 400 o | |
Axis 5 (wrist swing) | 360 o | |
Axis 6 (wrist rotation) | 900 o | |
Single axis maximum speed | axis1 | 195 o /s |
axis2 | 175o /s | |
axis3 | 180 o /s | |
axis4 | 360 o /s | |
axis5 | 360 o /s | |
axis6 | 550 o /s | |
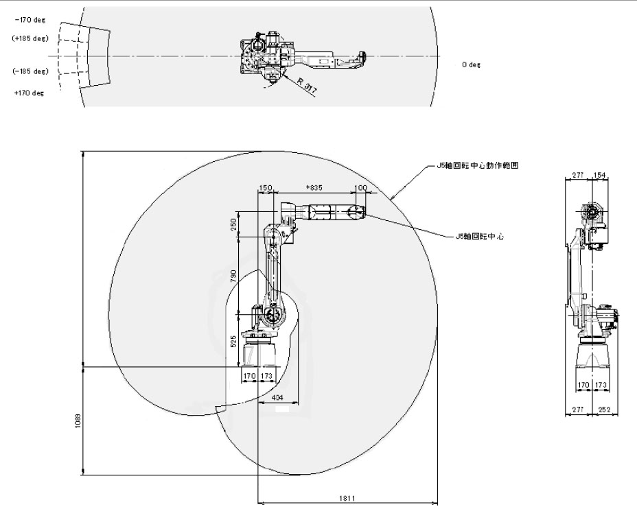
Outside maximum working radius | 1811 mm | |
Inner minimum working radius | 317 mm | |
Repeatability | ±0.08mm | |
load mass | Axis 6 maximum load 20kg | |
Weight | 250 kg | |
Installation method | Upright/hanging | |



中文


